電話:0769-85189162 26980325 傳真:0769-81610656 郵箱:leesun@leesuncn.com sales@leesuncn.com 地址:廣東省東莞市南城區第一國際百安中心B座303室
用途:
保持、制動、緩動啟動、張力控制、扭力限制等
型號
額定轉矩kgfm (Nm)
容量(75℃)
最高 回轉速度 (r.p.m.)
強制空冷容許滑動功率
慣性矩 (kgf㎡)
重量(kg)
磁粉 重量 (g)
電流(A)
電力(W)
時定數(S)
風壓 (Pa)
風量(m3/min)
功率(W)
PB-006
0.6(6)
0.6
15
0.1
1800
2*104
0.2
110
1.00X10-3
2.50X10-4
2
10
PB-015
1.2(12)
0.94
22.5
3*104
250
1.34X10-3
4.90X10-4
4.8
20
PB-025
2.5(25)
1.24
30
0.12
5*104
0.4
380
3.80X10-3
1.49X10-3
8
33
PB-050
5(50)
2.15
51.5
0.13
1*105
700
9.50X10-3
4.80X10-3
13
60
PB-100
10(100)
2.4
57.6
0.25
6*104
1.1
1100
3.50X10-2
2.50X10-2
34
140
PB-200
20(200)
2.7
64.8
0.37
1.6
1900
9.15X10-2
6.89X10-2
48
225
PB-400
40(400)
3.5
84
1.6*105
2100
2.43X10-1
1.50X10-1
90
300
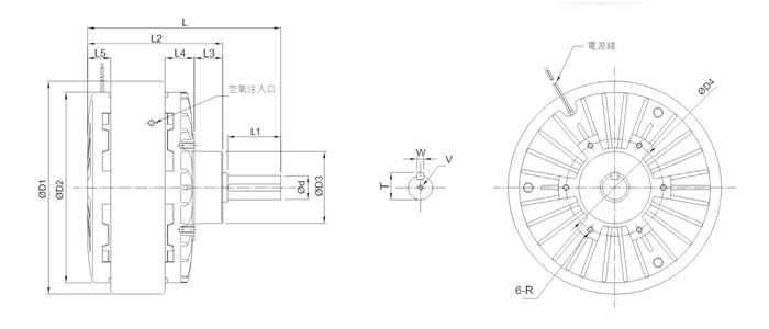
尺寸:
L
L2
D1
D4
D3(g7)
L3
L1
d(h7)
H(-0.2)
W(p7)
D2
L4
L5
V
R
S
106
69
134
64
42
14
26
12
13.5
4
18
M4*0.7P*8L
6-M6*1P*10L
1/8
132
98
154
29
17
5
126
25.5
14.5
155
108
184
78
55
43
22
160
M5*0.8P*10L
193
222
100
74
56
25
28
7
196
M6*1P*12L
1/4
239
167
290
65
260
46
21.5
M10*1.5P*20L
6-M10*1.5P*20L
3/8
278
199
336
150
31.5
35
38.5
301
32
338
234
395
200
130
92
45
48.5
365
70
40
8-M10*1.5P*20L
LTC-002/LTC-002B(簡版)張力控制器可通過手動實時調節
LS-XXBXXL-XXN系列懸臂式張力檢測器可用于對紙張、薄膜
伺服電機直線驅動器LD系列使用無刷直流伺服電機驅動,對
伺服電機中間導向糾偏一體機 使用無刷直流伺服電機驅動
用途: 保持、連接、切離、緩動啟動、張力控制、扭力限
此機適用于連結、變速、切離、寸動、正逆轉、緩沖起動
掃描進入淘寶店
掃描進入阿里店